20750 MDL
23300 MDL
(1197.23$, 1031.47€)
2550 MDL

Уточнять о наличии
(+373) 79-288-788

Код товара: 6365

В корзину
  • Бесплатная доставка  по Кишинёву
Описание
Электрический котел VAILLANT eloBLOCK VE 21 - является альтернативой газовому отоплению. Данный агрегат имеет современный дизайн и микропроцессорное управление. Возможно использование котла в системах "теплый пол". Управление температурой теплоносителя осуществляется через интерфейс котла.

Описание

Изучение конструкции настенного электрического котла

Габаритные и монтажные размеры

Преимущества Vaillant eloBLOCK VE 21 одноконтурный
  • Vaillant eloBLOCK VE 21   - реальная альтернатива газовому отоплению.
  • Современный дизайн и микропроцессорное управление
  • Простое и удобное управление одной клавишей
  • Плавное изменение мощности с умеренной нагрузкой на нагревательный элемент увеличивает срок службы
  • Возможно использование в системах "теплый пол".
  • Защита от замерзания котла и бойлера.
  • Встроенное погодозависимое управление.
  • Управление температурой теплоносителя через интерфейс котла.
  • Котел может быть подключен к однофазному источнику электроэнергии (220 В).
  • Возможность управления через HDO-сигнал или понижающий переключатель.
  • Индикация настроек через светодиодный дисплей.
  • Возможность подключения бойлера косвенного нагрева.
  • Антиблокировка насоса.
  • Предусмотрено удобное подключение внешнего стабилизатора напряжения.
  • Встроенный расширительный бак.
  • Встроенный механический манометр.

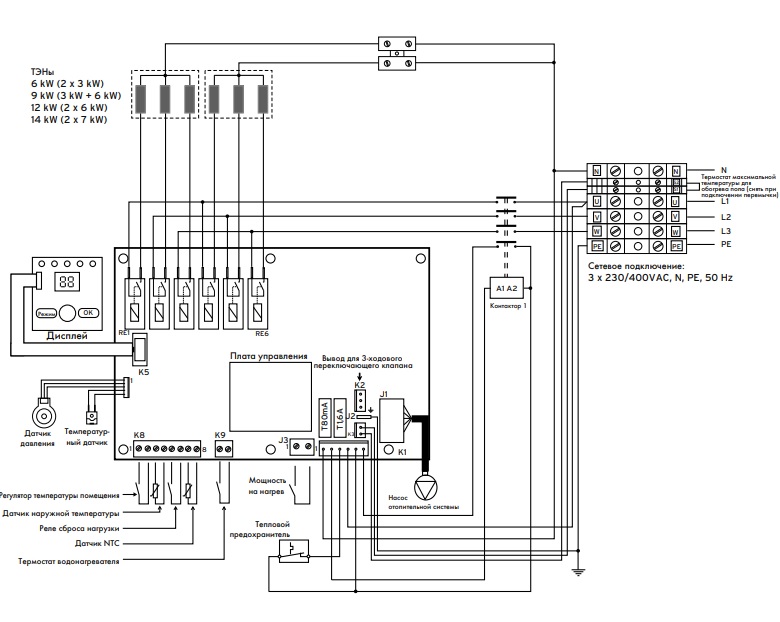
Пояснения к рисунку
  • Нагревательный элемент
  • Клапан для выпуска воздуха
  • Водонагреватель/теплообменник
  • Датчик давления
  • Подключение манометра
  • Предохранительный клапан
  • Заземление обратной линии отопления
  • Заземление корпуса
  • Насос отопительной системы
  • Автоматический быстродействующий воздухоотводчик
  • Подключение к электросети
  • Контактор
  • Электронная плата
  • Датчик температуры NTC
  • Тепловой предохранитель
  • Манометр
  • Подающая линия системы отопления 3/4» 
  • Кабельный ввод 
  • Вентиль опорожнения
  • Кабельный ввод для сетевого подключения 
  • Обратная линия системы отопления 3/4» 
  • Перепуск для предохранительного клапана
Характеристики
Тип котла Электрический
Площадь обогрева 210 м²
Мощность 21 кВт
КПД 95 %
Присоединение к инсталляции 3/4 "
Температура ЦO (max) 85 °C
Объём воды 8 л
Давление мин.-мвкс. 0,8-3 Бар
Напряжение 3 x 230 V / 400V +N + PE, 50 Hz В
Тип топлива Электроэнергия
Габариты ШхГхВ 410x330x740 мм
Вес котла 26 кг
Родина бренда Германия
Бренд Vaillant
Производство Словакия
Гарантия на котел/автоматику 24 мес.
Показать все характеристики
Характеристики могут меняться производителем без уведомления
Каталог товаров
Просмотренные
Статьи
Выбираем насос
Выбираем насос
Правильно выбрать насос, дело совсем не простое как может показаться на первый взгляд.
Отопление
Отопление
Мы проектируем и монтируем только качественные системы отопления «под ключ»
Полезная информация при выборе кондиционера.
Полезная информация при выборе кондиционера.
Практически большинство клиентов при покупке кондиционера задаются одними и теми же вопросами:
Водяные теплые полы от «Termoformat»
Водяные теплые полы от «Termoformat»
Termoformat Водяные теплые полы